(1)、团队基本情况
智能装备与检测技术研究团队主要围绕纺织、机械、电子、航空航天等行业中关键零部件及产品尺寸、位姿及质量检测,开展基础共性智能检测技术、方法和原理研究,开发适配于制造工艺的专用检测技术,形成新型智能检测理论与技术,并开展面向通用/专用智能检测装备研发。
(2)、团队成员介绍
管声启,教授,硕士生导师。
研究方向:机器视觉检测技术、智能末端执行器技术、机器人控制技术、精密自动装配技术
邮箱: sina1300841@163.com
宋栓军,副教授,硕士生导师。
研究方向:AGV集群调度、金属增材制造、自动包装线设计、机器人技术、红外气体传感器研发、图像处理、纺织机械的在线监测与故障诊断
邮箱: songshuanjun@126.com
张周强,副教授,硕士生导师。
研究方向:智能产品研究与开发、新型检测技术、机器人技术、智能柔性传感器技术、光声光谱技术
邮箱: zhangzhouqiang208@126.com
殷俊清,副教授,硕士生导师。
研究方向:复合材料健康监测研究、机器人自动装配连接技术及工艺研究
邮箱:jqyin@xpu.edu.cn
张永燕,副教授,硕士生导师
研究方向:振动噪声控制、声学超材料、非线性动力学
邮箱:zxy_yy@126.com
严彦,副教授,硕士生导师
研究方向:过程装备节能与环保技术、能源装备与安全技术、智能制造系统与技术、流程工业优化及高端装备制造
邮箱:yy8923507@163.com
刘学婧,副教授、硕士生导师
研究方向:介电弹性体动、静态击穿行为研究、基于 PVC 材料大输出力人工肌肉驱动器研究、基于电活性智能材料的微型软体机器人研发与优化、面向输油管道的新型封堵剂研发、基于软物质的机翼智能蒙皮研发、控制及优化
邮箱:lisa890329@163.com
王青,讲师,硕士生导师
研究方向:目标识别和位姿估计算法研究、服装软面料抓取技术研究、流场-纤维流固耦合研究
邮箱:qingkong1123@163.com
董博超,讲师
研究方向:系统工程理论及可靠性、维修性研究
邮箱:dongbochao@yeah.net
许玮,讲师
研究方向:新型碳纤维增强类复合材料的组织检测与性能
研究
邮箱:xw-ok@126.com
(3)、科研平台
棉花色泽检测实验平台
袜机织针视觉检测系统
智能材料制备与性能测试平台
陶瓷零件尺寸测量及缺陷柔性检测
智能上料机器人抓取系统
(4) 、研究领域
1)纱管的目标识别和位姿估计算法研究
在三维视觉下,研究目标的识别和位姿估计算法,并通过机械臂实现抓取实验。研究的方法大的来讲主要有两种:
Ø 直接以三维点云图像为对象,进行点云预处理、点云分割聚类、点云识别与配准;
Ø 以二维RGB图像为对象,基于改进YOLO算法实现目标识别,再以三维点云图像为对象,通过对提取的特征点的处理等,实现位姿估计。
2)织物起球等级评价
改进的 ResNet 34 分类网络模型能够有效的实现织物起球等级评定。平均准确率达到了 93.88%,比经典检测算法有明显提升。
研究成果:发表高水平论文3篇(SCI);申请2件发明专利,1件已授权;得到中国纺织工业联合会科技指导性项目支持;培养研究生3名。
3) 工业圆钢位姿检测
采用基于深度学习方法的工业圆钢识别算法和基于点云配准的位姿估计算法能够有效实现工业圆钢的位姿检测。识别的平均精度均值达到了98.4%。检测速度达到97FPS,配准误差最大为3.66mm。
研究成果:发表核心论文2篇,得到陕西省科技厅重点研发计划项目和西安市科技计划项目支持,培养研究生3名。
4)基于机器视觉的棉花色泽检测系统研究
该检测系统针对目前棉花色泽检测技术存在稳定性差、相符率低等问题,课题组创造性的提出机器视觉棉花色泽检测分离技术,同一棉样72小时黄度、反射率检测效果一致性很好,未来有望在企业中推广应用。
研究成果:发表EI论文1篇,获得研究生电子设计大赛省赛二等奖1项,培养研究生2名。
5)工业陶瓷环表面缺陷检测
采用基于深度学习知识蒸馏方法的陶瓷环缺陷检测算法可以提高模型检测的准确性和快速性,针对多种缺陷类型的陶瓷环,具有较好的检测精度和速度,其检测的平均精度均值达到了92.9%。检测速度达到96.2FPS。
研究成果:发表国际会议1篇,并作汇报;核心论文1篇;得到西安市创新能力强基计划-人工智能技术攻关项目支持;培养研究生1名。
6)纱筒识别
改进的SSD算法具备更强的特征提取能力,针对多种颜色的纱筒,具有较好的识别准确度,纱筒的识别平均精度达到了94.6%。
研究成果:发表核心论文1篇;申请发明专利1项(实审);得到陕西省科技厅重点研发计划项目和西安市科技计划项目支持;培养研究生1名。
7) 工业带钢缺陷检测
采用生成对抗网络扩充的带钢表面缺陷数据集类别清晰且质量较好,模型平均FID 为 6.22。利用基于深度学习的分类模型进行带钢缺陷的类别检测,准确率为 95.33%,参数量为 0.09M,推理时间为 23.1毫秒,能够有效实现带钢表面缺陷类别检测。
研究成果:发表高水平论文5篇(SCI);申请发明专利4件;软著1件;得到陕西省重点研发计划项目支持;培养研究生3名。
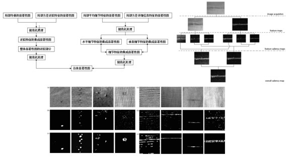
8)织物疵点检测
采用自下而上和自上而下的视觉注意集成模型对不同织物纹理的疵点进行检测,具有较强的通用性,对平纹和斜纹的检出率为95-99%。
研究成果:发表高水平论文8篇;申请发明专利3件;得到陕西省教育厅专项项目和西安市创新能力强基计划-人工智能技术攻关项目支持。培养研究生3名。
9) 基于柔性光栅的光声光谱技术
该项目受到国家自然科学基金支持(项目编号:61701384),设计并制作出了石墨烯/聚二甲基硅氧烷柔性光栅,建立了基于柔性光栅的气体光声光谱检测实验系统,实现了对硫化氢和一氧化碳气体的在线实时检测,并在光学检测领域发表相关科研SCI论文6篇,EI 论文2篇,申请项发明专利3项,其中授权1项。
(5)、代表性科研项目
1. 国家自然科学基金青年项目2项(项目编号:61701384、52205123)
2. 陕西省自然科学基础研究计划项目2项(项目编号:2021JQ-687、2020JQ-820)
3. 陕西省教育厅重点项目(项目编号:20JS051)
4. 陕西省科技计划重点研发项目(项目编号:2018GY-020)
5. 中国纺织工业联合会项目2项(项目编号:2016065、2016066)
6. 陕西省教育厅项目3项(项目编号:2013JK1083、16JK1337,16JK1334)
7. 西安市创新能力强基计划-人工智能技术攻关项目(项目编号21RGZN0021)
(6)、代表性论文
[1] Zhang Z, Ye Z, Hu F, et al. Double‐network polyvinyl alcohol composite hydrogel with self‐healing and low friction[J]. Journal of Applied Polymer Science, 2022, 139(4): 51563.
[2] Zhang Z Q, Zhang X L, Xu G S, et al. Fabrication of polydimethylsiloxane/graphene flexible strain sensors by using the scraping and coating method[J]. Review of Scientific Instruments, 2022, 93(6).
[3] Zhang Z, Bai S, Xu G, et al. Knitting needle fault detection system for hosiery machine based on laser detection and machine vision[J]. Textile Research Journal, 2021, 91(1-2): 143-151.
[4] Zhang Z, Bai S, Xu G, et al. Research on the knitting needle detection system of a hosiery machine based on machine vision[J]. Textile Research Journal, 2020.
[5] Zhang Z, Jia S, Xu G, et al. Photoacoustic spectroscopy telemetry of airport dangerous goods[J]. Modern Physics Letters B, 2019, 33(02):1950007.
[6] Zhang Z, et al. Design and simulation of optical drive tunable grating based on GNP and PDMS[J]. Materials Research Express 6.5 (2019): 055704.
[7] Shengqi Guan, Dongdong Liu, Luping Hu, Ming Lei, Hongyu Shi.Evaluation method of fabric pilling grades based on saliency-based deep convolutional network[J]. Textile Research Journal, 2023.
[8] Chang J, Guan S. Class Highlight Generative Adversarial Networks for Strip Steel Defect Classification[J]. International Journal of Pattern Recognition and Artificial Intelligence, 2022, 36(02): 2252004.
[9] GuanS, Chang J, Shi H, et al. Strip steel defect classification using the improved GAN and EfficientNet[J]. Applied Artificial Intelligence, 2021, 35(15): 1887-1904.
[10] Guan SQ, Lei M, Lu H. A Steel Surface Defect Recognition Algorithm Based on Improved Deep Learning Network Model Using Feature Visualization and Quality Evaluation [J]. IEEE Access, 2020, 8(1): 49885-49895
[11] Guan S, Li W, Wang J, et al. Objective evaluation of fabric pilling based on data-driven visual attention mode [J]. International Journal of Clothing Science and Technology, 2018, 30(2):210-221
[12] Guan, Shengqi. Fabric defect delaminating detection based on visual saliency in HSV color space [J]. The Journal of The Textile Institute, 2018, 109(12): 1560–1573.
[13] Yan Yong Zhang, Nan sha Gao, Wu Jiu Hui. New mechanism of tunable
broadband in local resonance structures [J], Applied acoustics,2020,
169:104782.
[14] Yong Yan Zhang, Wu Jiu Hui. Low-frequency band gaps within a local resonance structures [J], Modern Physics Letters, 2021, 30 :165043
[15] Nan sha Gao, Yong Yan Zhang. A low frequency under water metastructure composed by helix metal and viscoelastic damping rubber[J], Journal of Vibration and Control, 2019, 25 :538-548.
[16] Liu, Xuejing; Zhang, Junshi; Chen, Hualing ; Ambient humidity altering electromechanical actuation of dielectric elastomers, Applied Physics Letters, 2019, 115(18): 0-184101.
[17] Liu, Xuejing; Xing, Yu; Sun, Wenjie; Zhang, Zhouqiang; Guan, Shengqi; Li, Bo; Investigation of the Dynamic Breakdown of a Dielectric Elastomer Actuator Under Cyclic Voltage Excitation, FRONTIERS IN ROBOTICS AND AI, 2021, 8: 672154.
(7)、代表性授权发明专利
(8)、获奖荣誉
1)代表性科研获奖
2)代表性竞赛获奖